电话:0554-6661918(售前)
电话:0554-6661955(售后)
网址:www.too44.com

手车式

固定式
产品概述 Product Overview
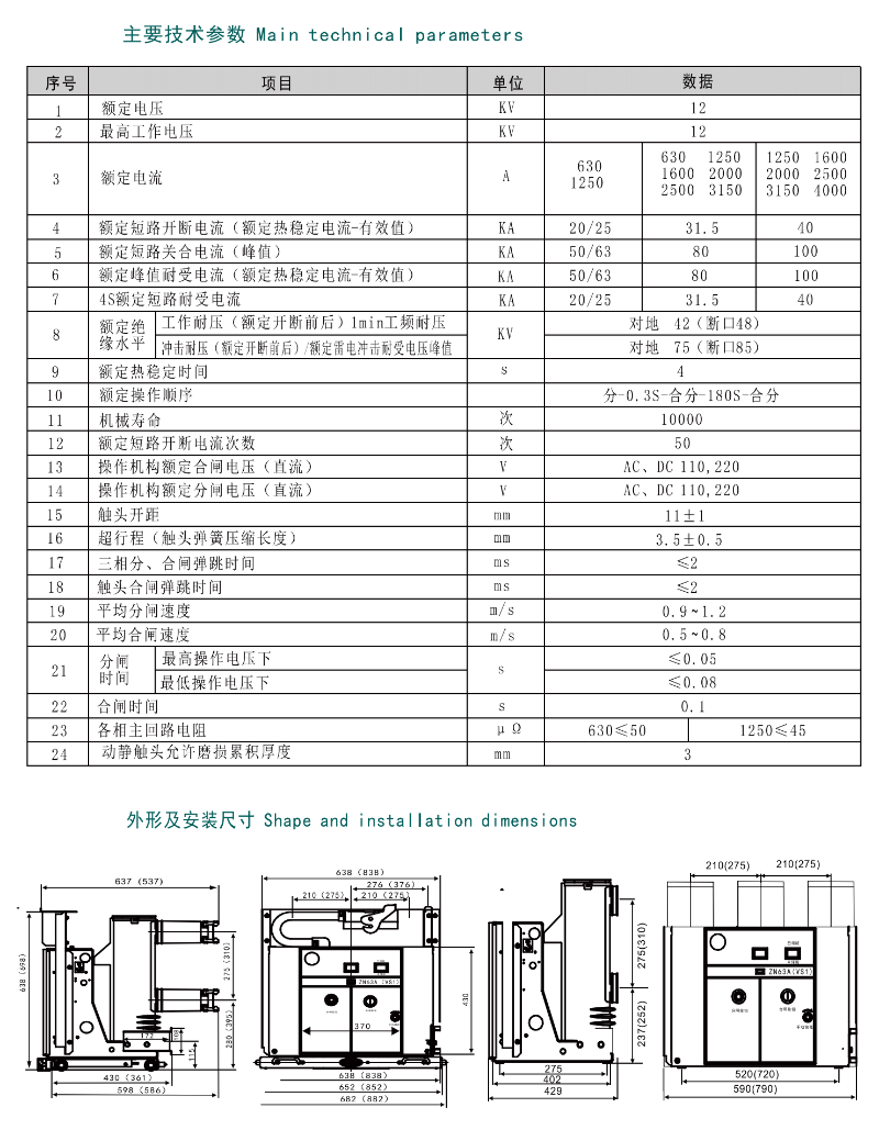
ZN63(VS1)-12系列户内高压真空断路器是三相交流50Hz,额定电压为12KV的户内开关设备,可供工矿企业、发电厂及变电站、电气设施上午控制和保护之用,并适合于频繁操作场所。采用操动机构与断路器本体一体化,,设计即可做为固定安装单元,也可配用专用推进机构,组成手车单元使用。主回路部分可采用整体固封极柱,以实现断路器小型化、高可靠、免维护,可配用KYN28A-12(GZS)等中置手车式开关柜,固定式也可配用于XGN系列固定式开关柜。
使用环境 Use Environment
1、环境温度:不高于40℃,不低于-10℃(允许在-30℃时储运)
2、海拔高度:不超过1000m。(若需增高海拔则额定绝缘水平相应提高)
3、相对湿度:日平均值不大于95%,饱和蒸汽压日平均值不大于2.2*10-3MPa,月平均不大于1.8*10-3MPa。
4、地震烈度:不超过8级。
5、无火灾、爆炸、严重污秽、化学腐蚀及剧烈振动的场所。


友情链接 LINKS